OlifeEnergy EV dobíjecí stanice PLUS 22kW (WB22AC2ZP)
Nabíječka, dobíjecí stanice, pro elektromobily, výstup ČSN EN 62196 Typ 2, max. 32A, AC 22kW, IP54, wallbox, zásuvka, RFID, automód, LAN, Wi-Fi
(Kód:ELESMI0010)
| Dostupnost na skladech: | |||
|---|---|---|---|
| Praha10 | Brno | Externí sklad | |
| Obvyklá dostupnost cca 2 týdny | |||
Pro zobrazení ceny a vložení produktu do košíku se nejprve musíte přihlásit.
| Kód | ELESMI0010 |
| PN | WB22AC2ZP |
| EAN | 8594206030302 |
| Záruka | 26 měs. |
| Značka |
XTEND Solarmi
100MEGA Distribution s.r.o.
Železná 7, 619 00 Brno, Česká Republika
info@100mega.cz
www.100mega.cz
|
WallBox je odolná dobíjecí stanice pro nabíjení všech elektromobilů na EU trhu výkonem až 22 kW (střídavý proud AC). Dobíjecí stanice je určena pro venkovní použití i instalaci do garáže. Dále nabízí možnost montáže na zeď (wallbox) nebo na profil kotvený do země (sloupek).
Tento WallBox je vybaven širokou škálou funkcionalit. Nabíjení lze zahájit automaticky ihned po připojení vozidla a identifikaci RfID kartou nebo mobilním telefonem. Přes mobilní aplikaci se také provádí kompletní konfigurace. Výkon stanice může být nastaven v rozsahu 0 až 22 kW.
AC stanice ve variantě PLUS pak přidávají plnou kontrolu nad nabíjením. Nabízí ovládání na dálku prostřednictvím domácí sítě. Po propojení s aplikací umožní sledování a správu nabíjení, autorizaci uživatele společně s přehledy o historii a spotřebě energie každého uživatele. Stanice jsou zároveň vybaveny komunikací se střídači předních výrobců, díky čemuž efektivně využijí přebytky solární energie i energii z akumulačních baterií k nabíjení. Prostřednictvím externí jednotky OlifeEnergy SmartMeter (samostatný produkt) je možné dynamicky řídit výkon nabíjecí stanice, aby nedocházelo k vypínání jističů při vysokém odběru, a nabíjet z přebytků solární energie nebo nízkého tarifu.
- Typ přívodu AC: AC 3 + N + PE 400 V 50 Hz, TN-S
- Max. průřez přívodu: 10 mm2
- Ovládání: lokální – automatické, RFID, mobilní aplikace (Bluetooth), mobilní aplikace (LAN/Wi-Fi)
- Reziduální ochrana: detekce reziduálního DC proudu dle IEC 62955
- Komunikace: Bluetooth, Modbus RTU (po RS-485), ADC 0–10 V, Ethernet, Wi-Fi
ZÁKLADNÍ SPECIFIKACE
Výkon: 22 kW
Vstupní napětí: 3× 400 V (možnost 1× 230 V)
Vstupní proud: 0–32 A
Typ připojení dle ČSN EN 61851: Typ B
Výstup: Typ 2 (dle ČSN EN 62196), zásuvka
Kategorie krytí: IP54
Provozní teplota: -25 až +40 °C
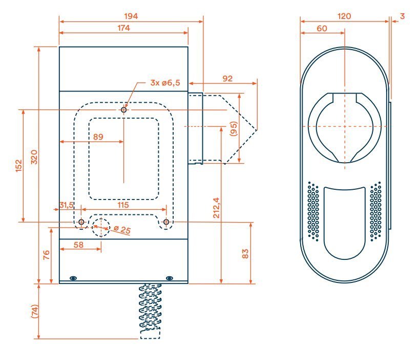
Rozměry: 320 × 194 × 120 mm
Hmotnost: 6,5 kg (čistá, balení + 2 kg)

| Značka | |
| Upřesnění typu: | Autonabíječka |
| Výrobce: | XTEND Solarmi |
| Technické detaily | |
| Provozní teplota max. (°C): | 40 |
| Provozní teplota min. (°C): | -25 |
| Stupeň krytí: | IP54 |
| Výkon (kW): | 22 |
| Vstupy a výstupy | |
| Univerzální zásuvka/zástrčka (počet): | 1 |
| Napájení | |
| Frekvence napětí (Hz): | 50 |
| Max. vstupní proud (A): | 32 |
| Vstupní napětí (V): | 230 (AC) |
| Vstupní napětí (V): | 400 (AC) |
| Výstupní výkon (W): | 22000 |
| Záruka | |
| Délka záruky (měsíce): | 26 |
| Délka záruky IČO (měsíce): | 26 |
| Použití a určení | |
| Druh příslušenství: | nabíječka |
| Fyzické vlastnosti | |
| Barva: | bílá - zelená |
| Hmotnost (kg): | 6.5 |
| Rozměry: | 320 × 194 × 120 mm |
Vývoj ceny produktu
Logistické parametry
- Hmotnost: 9.5 kg
- Šířka: 20 cm
- Výška: 12.5 cm
- Hloubka: 32 cm
- Objem: 8000 cm3
- Počet: 1 ks






